
Miniature Bearings Australia
T-0143-0252-F-S440-NY - Datasheet
MBA
Category Information
Bearings - Thrust Ball - Flat - Stainless SteelStainless Steel Flat Thrust Ball Bearings. 3 Piece Thrust Bearings Open Type with Flat Washers
- Thrust ball bearings provide for axial loads. They are designed to handle forces that push or pull along the axis of a rotating shaft
- Commonly used in automotive, electric motors, marine propulsion, pumps and compressors, aerospace applications, industrial machinery, and wind turbines.
- An expanded range may be available on special order. Please enquire.
- These bearings are designed so that when one ring turns, the other remains stationary.
- Some have a larger bore on one side allowing a shaft with no steps to pass through. Others will require a stepped shaft as they have the same bore on both races.
- Some have a reduced size OD on one race allowing it to sit into an unstepped housing bore, whilst others will require a stepped housing to allow one ring to rotate.
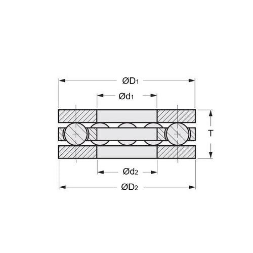
- Please be sure to take note of the figures shown for ID and OD of both races to ensure you select the correct bearing.
Product Data
- Shaft Diameter (d1)
:
14.288
mm
+ 0.089 / + 0.216
(Equiv. 0.563 in.) - OD (D1)
25.400
mm
- 0.013 / - 0.208
(Equiv. 1 in.) - Thickness (T)
6.350
mm
+ 0.076 / - 0.127
(Equiv. 0.25 in.) - Bore (d2) 14.288 mm - 0.025 / - 0.202
- OD (D2) 25.400 mm - 0.025 / - 0.202
- Dynamic Load Capacity 37 kgf
- Cage Type Moulded Nylon
- Material Stainless Steel 400 Series and Nylon
Product Compliance and Data
Additional Resources
- Catalogue: Ceramic Bearings Catalogue
- Catalogue: Plastic Bearings Catalogue
- Catalogue: Standard Bearings Catalogue
- General: Bearing Cleanliness
- General: Bearing Clearances
- General: Bearing Flanges & Snap Rings
- General: Bearing Retainers (Cages)
- General: General Loads Information
- General: Lubrication
- General: Prefix & Suffix Guide
- General: Static vs Dynamic Loads
- Materials: 316 Stainless
- Materials: CASSTOP Anti-Corrosion Bearing Material
- Materials: Ceramic vs Ceramic Hybrid
- Materials: Ceramic Bearings in Vibratory Applications
- Materials: Ceramic Hybrid Bearings in Vibratory Applications
- Materials: General Bearing Materials
- Materials: Magnetism & Bearings
- Precision: 316 Stainless & Plastic Bearing Tolerances
- Precision: ABEC Basic Information
- Precision: Precision Bearing Tolerances
- Problem Solving: Bearing Failure
- Problem Solving: Fatigue (L10 Life)
- Problem Solving: Noise
Cross References
- TQS-056
- TQS056
- A7Z7-056ST
- A7Z7056ST



