
Miniature Bearings Australia
BP0143-0191-0318-BC9 - Datasheet
MBA
Category Information
Bushes - Unflanged - Bronze - SolidSolid Bronze Unflanged Bushes. Solid precision leaded gunmetal bronze bushes. C93200 as indicated in the listings.
- An expanded range may be available on special order. Please enquire.
- Composition (Approx.) : Copper 81%, Tin 7%, Zinc 4%, Lead 6%, Nickel 2%.
- Hardness : 70-90 BHN.
Product Data
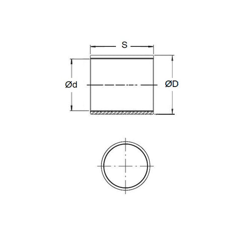
- Nominal Inside Diameter (d)
:
14.288
mm
+/- 0.0254
(Equiv. 0.563 in.) - Nominal Outside Diameter (D)
19.050
mm
+ 0.051 / + 0.0762
(Equiv. 0.75 in.) - Length (s)
31.750
mm
+/- 0.127
(Equiv. 1.25 in.) - Material Bronze C93200
Product Compliance and Data
Additional Resources
- DU Bush Material Information
- General Bushes Catalogue
- Sintered Bronze Products Catalogue
- Solid Bronze Bushes catalogue
Cross References
- 6381K131
- Gobeil BB-0912-20
- Century CB-0912-10
- BNT235
- BNT-235
- BB091220
- CB091210


