
Miniature Bearings Australia
RPO-142-143-C - Datasheet
MBA
Category Information
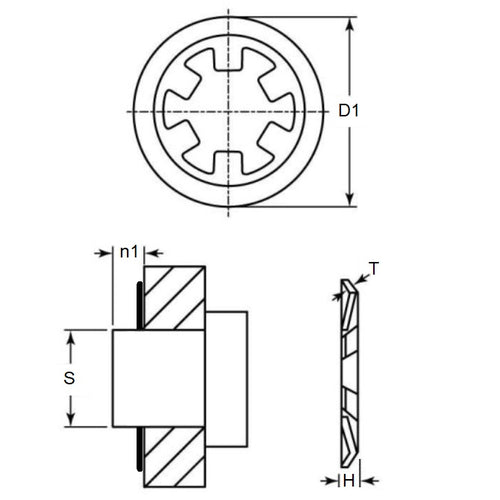
Retaining Rings - Push On - Carbon SteelCarbon Steel Push On Retaining Rings. M1465 / DTX / Seeger ZA and KS.
- An expanded range may be available on special order. Please enquire.
- Thrust load shown is calculated for ideal conditions with mild steel shaft.
- If no thrust load is shown, testing is suggested.
Product Data
- Min shaft size (s1)
:
14.22
mm
(Equiv. 0.56 in.) - Max Shaft Size (s2)
14.33
mm
(Equiv. 0.564 in.) - Outside diameter (D1)
20.62
mm
(Equiv. 0.812 in.) - Min shaft extension (n1) 1.52 mm
- Material Thickness (t) 1.52 mm
- Material Carbon Steel
Product Compliance and Data
Additional Resources
Cross References
- Waldes 5105-056
- IRR 6100-056
- 98430A161
- NoCor TY-056
- Rotor Clip TY-056
- TY056
- 6100056
- 5105056



