
Miniature Bearings Australia
GE-13000-20000-ST-OH - Datasheet
MBA
Category Information
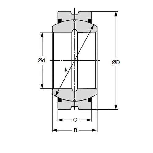
Bushings - Spherical - Steel - With Oil HoleWith Oil Hole Steel Spherical Bushings. Steel spherical plain bearings. Also known as ball bushings.
- Compensates for axial loads and misalignment.
Product Data
- Bore (d1)
:
130.000
mm
(Equiv. 5.118 in.) - OD (d2)
200.000
mm
(Equiv. 7.874 in.) - Width (B)
110.000
mm
(Equiv. 4.331 in.) - Outer Width (C) 95.00 mm
- Dynamic Load Capacity 176000 kgf
- Static Load Capacity 1050000 kgf
- Features No Wiper Seals / With Oil Hole
- Material Steel
Product Compliance and Data
Additional Resources
Cross References
- Nachi SB-130A
- IKO SB-130-A
- SB130A



