
Miniature Bearings Australia
WST-20RS - Datasheet
MBA
Category Information
Pins - Side Thrust - Single Sided - Stainless BallStainless Ball Single Sided Side Thrust Pins. For holding, clamping and positioning work pieces. Body is black oxide steel.
- Spring-loaded component used for clamping, positioning, and holding workpieces in machinery and fixtures.
- Space-saving, simple alternative to more complex clamping methods and are designed to press against a part to secure it.
- Often used for tasks like locating components during machining, in jigs and fixtures, or for holding flat items like circuit boards.
- Stainless ball and stainless spring with black oxide coated steel body
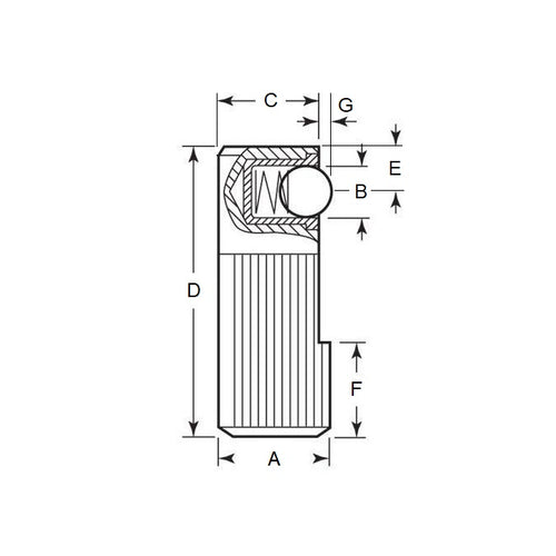
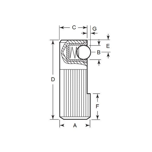
Product Data
- Knurled Diameter (A)
:
13.970
mm
(Equiv. 0.55 in.) - Ball Diameter (B)
6.604
mm
(Equiv. 0.26 in.) - End Diameter (C)
10.668
mm
(Equiv. 0.42 in.) - D 39.878 mm
- E 5.842 mm
- F 9.906 mm
- G 1.778 mm
- Initial Load Rating 0.82 Kg
- Final Load Rating 1.84 Kg
- Material Stainless Steel Ball
Product Compliance and Data
Additional Resources
View full details


