
Miniature Bearings Australia
GC-139-105-195-R34 - Datasheet
MBA
Category Information
Grommets - Natural Rubber - ClosedClosed Natural Rubber Grommets. Closed Natural Rubber Grommets
- This category will be discontinued when the remaining items are sold.
- All items are priced to quit.
- Backorders or orders for previously listed items in the category will only be available for very large orders.
- 50 +/-5 Durometer
- Dustproof with Approx 0.5mm thick Membrane
- Easy to Install
- Dust protection
Product Data
Deleted Item. Available while stocks last.
Please contact us first if you wish to use this item in a new design so we can check whether production can be resumed.
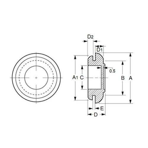
- Plate Hole Diameter (B)
:
13.90
mm
(Equiv. 0.547 in.) - Inside Diameter (C)
10.50
mm
(Equiv. 0.413 in.) - Outside Diameter (A)
19.50
mm
(Equiv. 0.768 in.) - Outside Diameter (A1) 19.50 mm
- Thickness (D) 6.4 mm
- Plate Thickness (E) 3.40 mm
- Quantity Per Card 5
- Material Natural Rubber
Product Compliance and Data
Additional Resources
Cross References
- KT KTGMC1410S


