
Miniature Bearings Australia
GM-012-M05-020-PO - Datasheet
MBA
Category Information
Gears - Mitre - Module 0.5 - Plastic HobbyPlastic Hobby Module 0.5 Mitre Gears. POM Plastic
- An expanded range may be available on special order. Please enquire.
- Plastic Only
- Inexpensive for hobby and toy use
- No locking mechanisms
Product Data
Deleted Item. Available while stocks last.
Please contact us first if you wish to use this item in a new design so we can check whether production can be resumed.
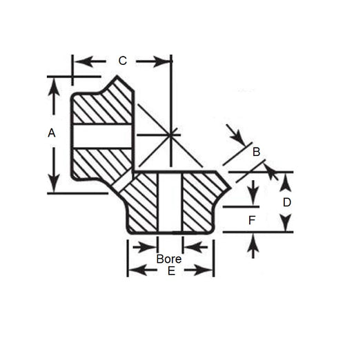
- Number of Teeth : 12
- Pitch Diameter (pd)
6
mm
(Equiv. 0.236 in.) - Bore (d)
2
mm
(Equiv. 0.079 in.) - Overall Length (L) 5.3 mm
- Hub Diameter (hd) 6 mm
- Each
- Material POM (Polyoxymethylene)
Product Compliance and Data
Additional Resources
View full details


