
Miniature Bearings Australia
CLP-120-0368G-CZ - Datasheet
MBA
Category Information
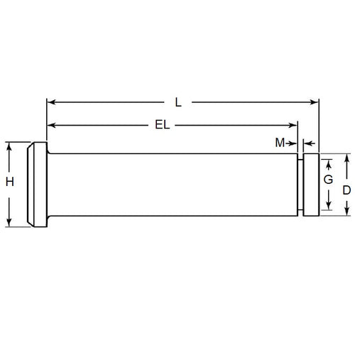
Pins - Clevis - Groove Locking - Zinc PlatedZinc Plated Groove Locking Clevis Pins. Match with a suitable E-Clip or Circlip to suit groove size shown in listings
- In addition to retaining parts on a shaft or axle, clevis pins can also be used as light duty axles, spring holders or even fishing line weights.
- Sinc plated low carbon steel
- Grooved end to suit retaining clip instead of pin.
Product Data
- Nom. Pin Diameter (D)
:
12.00
mm
- 0.05 / - 0.18
(Equiv. 0.472 in.) - Grip Length (EL)
36.75
mm
+ 0.51 / - 0.00
(Equiv. 1.447 in.) - Nom. Length (L)
40.00
mm
+ 0.51 / - 0.00
(Equiv. 1.575 in.) - Head Diameter (H) 20.00 mm
- Groove Diameter (G) 10.0 mm
- Groove Width (M) 1.3 mm
- Suggested E-Clip ECL-0100-0110-S15
- Material Zinc Plated Low Carbon Steel
Product Compliance and Data
Additional Resources
Cross References
- NoCor CLPGMZ-120-040
- CLP1200368GZ
- CLP1200400GZ
- CLPGMZ120040



