
Miniature Bearings Australia
GE-01200-02600-ST-N - Datasheet
MBA
Category Information
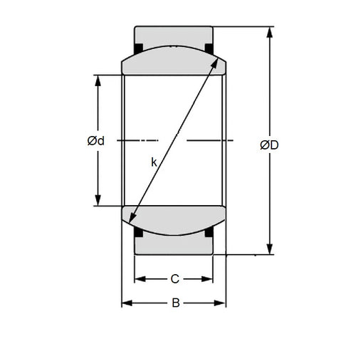
Bushings - Spherical - Steel - No Oil HoleNo Oil Hole Steel Spherical Bushings. Steel spherical plain bearings. Also known as ball bushings.
- Compensates for axial loads and misalignment.
Product Data
- Bore (d1)
:
12.000
mm
(Equiv. 0.472 in.) - OD (d2)
26.000
mm
(Equiv. 1.024 in.) - Width (B)
15.000
mm
(Equiv. 0.591 in.) - Outer Width (C) 9.00 mm
- Dynamic Load Capacity 1980 kgf
- Static Load Capacity 11900 kgf
- Features No Wiper Seals / No Oil Hole
- Material Steel
Product Compliance and Data
Additional Resources
Cross References
- IKO GE12G
- Nachi GE-12G



