
Miniature Bearings Australia
CZR-7901-CSN-PP-U5-PK-SRL - Datasheet
MBA
Category Information
Bearings - Angular Contact - Single Row Ball - Ceramic ZRO2Ceramic ZRO2 Single Row Ball Angular Contact Bearings. Excellent performance in electrical and magnetism sensitive applications. Full ceramic zirconia.
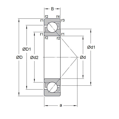
- These bearings have four points of contact between the balls and the raceways, allowing them to accommodate thrust loads in addition to radial loads.
- These bearings have raceways in the inner and outer rings that are offset to each other and are inclined at an angle to the bearing axis.
- Angular contact bearings are used in various applications where precise rotation, high-speed performance, and load-carrying capacity are required. An expanded range may be available on special order. Please enquire.
- Applications include cryopumps, medical applications, semiconductors, turbine flow meters, food processing, robotics and optics.
- Wear and corrosion resistance. Depending on the application, these bearings may run lubrication free or lubricated by the medium in which they are submerged.
- Cages of PTFE, Glass Fibre Reinforced Nylon, or PEEK. Can be made from special aviation aluminum on request.
- ZrO2 standard material for balls and rings. Si3N4 available to special order.
- High and low- temperature application. Up to 250 Deg C with PTFE Cage, 200 Deg C with PEEK Cage and 130 Deg C with Nylon Cage. Up to 1000 deg C without a cage or seals.
Product Data
Ceramic balls.
- ID (d)
:
12.000
mm
(Equiv. 0.472 in.) - O.D. (D)
24.000
mm
(Equiv. 0.945 in.) - Width (B)
6.000
mm
(Equiv. 0.236 in.) - Precision Grade Abec 5
- Closure Type PPS (Polypropylene Seals)
- Bearing Type Angular Contact
- Lubricant Kyodo Yushi SRL
- Material Ceramic Zirconia - PEEK Cage - SI3N4 Balls - Polypropylene Seals
Product Compliance and Data
Additional Resources
- Catalogue: Ceramic Bearings Catalogue
- Catalogue: Plastic Bearings Catalogue
- Catalogue: Standard Bearings Catalogue
- General: Bearing Cleanliness
- General: Bearing Clearances
- General: Bearing Flanges & Snap Rings
- General: Bearing Retainers (Cages)
- General: General Loads Information
- General: Lubrication
- General: Prefix & Suffix Guide
- General: Static vs Dynamic Loads
- Materials: 316 Stainless
- Materials: CASSTOP Anti-Corrosion Bearing Material
- Materials: Ceramic vs Ceramic Hybrid
- Materials: Ceramic Bearings in Vibratory Applications
- Materials: Ceramic Hybrid Bearings in Vibratory Applications
- Materials: General Bearing Materials
- Materials: Magnetism & Bearings
- Precision: 316 Stainless & Plastic Bearing Tolerances
- Precision: ABEC Basic Information
- Precision: Precision Bearing Tolerances
- Problem Solving: Bearing Failure
- Problem Solving: Fatigue (L10 Life)
- Problem Solving: Noise


