
Miniature Bearings Australia
BF0120-0200-0080-BS2215LU - Datasheet
MBA
Category Information
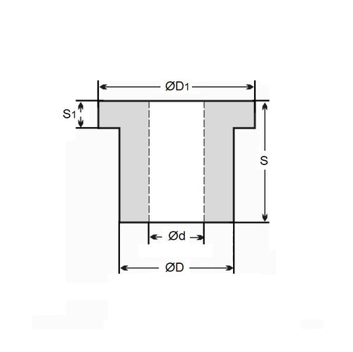
Bushes - Flanged - Bronze - SinteredSintered Bronze Flanged Bushes. Oil impregnated flanged sintered bronze bushes.
- An expanded range may be available on special order. Please enquire.
- Precision items show an allowable Load Speed Rating in Newtons times RPM.
Product Data
- Nominal Inside Diameter (d)
:
12.000
mm
+ 0.000 / + 0.018
(Equiv. 0.472 in.) - Nominal Outside Diameter (D)
20.000
mm
+ 0.00 / - 0.013
(Equiv. 0.787 in.) - Length (s)
8.000
mm
+ 0 / - 0.170
(Equiv. 0.315 in.) - Flange OD (D1) 22.00 mm
- Flange Thickness (S1) 1.50 mm
- Material Bronze SAE 841 Sintered
Product Compliance and Data
Additional Resources
- DU Bush Material Information
- General Bushes Catalogue
- Sintered Bronze Products Catalogue
- Solid Bronze Bushes catalogue
Cross References
- S99BP4MFB122080
- BF012002000080BSLU


