
Miniature Bearings Australia
PLIT-120-200-150-78-LKP-C - Datasheet
MBA
Category Information
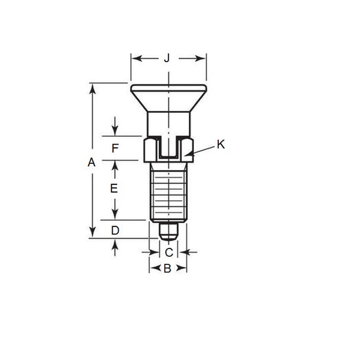
Plungers - Indexing Pull Knob - Steel - With Locking SlotWith Locking Slot Steel Indexing Pull Knob Plungers. With thermoplastic knob
Product Data
- Thread (B) : M20 Extra Fine (20x1.5mm)
- Overall Length (A)
78.0
mm
(Equiv. 3.071 in.) - Initial End Force 17.7 N
- Final End Force 6.8 N
- Tip Diameter (C) 12.0 mm
- Tip Length (D) 12.0 mm
- Hex Height (F) 14.0 mm
- Knob Diameter (J) 33.0 mm
- Hex Size (K) 22.0
- Material Steel
Product Compliance and Data
Additional Resources
Cross References
- KBP554
- KBP-554



