
Miniature Bearings Australia
GE-12700-19685-ST-OH - Datasheet
MBA
Category Information
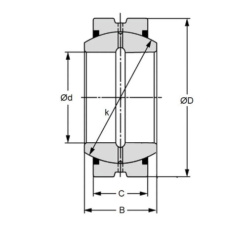
Bushings - Spherical - Steel - With Oil HoleWith Oil Hole Steel Spherical Bushings. Steel spherical plain bearings. Also known as ball bushings.
- Compensates for axial loads and misalignment.
Product Data
- Bore (d1)
:
127.000
mm
(Equiv. 5 in.) - OD (d2)
196.85
mm
(Equiv. 7.75 in.) - Width (B)
111.120
mm
(Equiv. 4.375 in.) - Outer Width (C) 95.25 mm
- Dynamic Load Capacity 174000 kgf
- Static Load Capacity 1050000 kgf
- Features No Wiper Seals / With Oil Hole
- Material Steel
Product Compliance and Data
Additional Resources
Cross References
- IKO SBB80
- Nachi SBB-80



