
Miniature Bearings Australia
GE-12000-19000-ST-OH - Datasheet
MBA
Category Information
Bushings - Spherical - Steel - With Oil HoleWith Oil Hole Steel Spherical Bushings. Steel spherical plain bearings. Also known as ball bushings.
- Compensates for axial loads and misalignment.
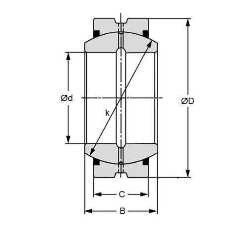
Product Data
- Bore (d1)
:
120.000
mm
(Equiv. 4.724 in.) - OD (d2)
190.000
mm
(Equiv. 7.48 in.) - Width (B)
105.000
mm
(Equiv. 4.134 in.) - Outer Width (C) 90.00 mm
- Dynamic Load Capacity 158000 kgf
- Static Load Capacity 945000 kgf
- Features No Wiper Seals / With Oil Hole
- Material Steel
Product Compliance and Data
Additional Resources
Cross References
- Nachi SB-120A
- IKO SB-120-A
- SB120A



