
Miniature Bearings Australia
GE-12000-18000-ST-OH - Datasheet
MBA
Category Information
Bushings - Spherical - Steel - With Oil HoleWith Oil Hole Steel Spherical Bushings. Steel spherical plain bearings. Also known as ball bushings.
- Compensates for axial loads and misalignment.
Product Data
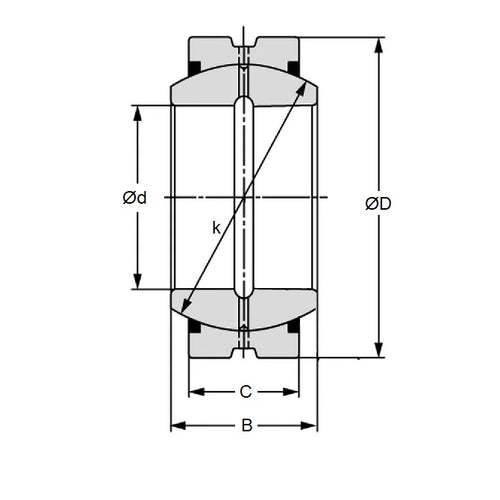
- Bore (d1)
:
120.000
mm
(Equiv. 4.724 in.) - OD (d2)
180.000
mm
(Equiv. 7.087 in.) - Width (B)
85.000
mm
(Equiv. 3.346 in.) - Outer Width (C) 70.00 mm
- Dynamic Load Capacity 112000 kgf
- Static Load Capacity 672000 kgf
- Features No Wiper Seals / With Oil Hole
- Material Steel
Product Compliance and Data
Additional Resources
Cross References
- IKO GE120ES
- Nachi GE-120ES



