
Miniature Bearings Australia
GE-12065-18733-ST-OH - Datasheet
MBA
Category Information
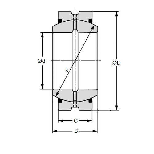
Bushings - Spherical - Steel - With Oil HoleWith Oil Hole Steel Spherical Bushings. Steel spherical plain bearings. Also known as ball bushings.
- Compensates for axial loads and misalignment.
Product Data
- Bore (d1)
:
120.65
mm
(Equiv. 4.75 in.) - OD (d2)
187.33
mm
(Equiv. 7.375 in.) - Width (B)
105.560
mm
(Equiv. 4.156 in.) - Outer Width (C) 90.47 mm
- Dynamic Load Capacity 157000 kgf
- Static Load Capacity 939000 kgf
- Features No Wiper Seals / With Oil Hole
- Material Steel
Product Compliance and Data
Additional Resources
Cross References
- IKO SBB76
- Nachi SBB-76



