
Miniature Bearings Australia
SLQ-1270-1984-06985-T - Datasheet
MBA
Category Information
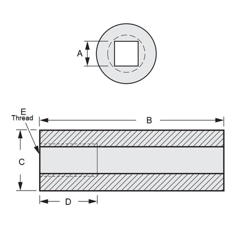
Sleeves - Square Hole - Threaded - Carbon SteelCarbon Steel Threaded Square Hole Sleeves. Square and concentric to 0.076mm (0.003in). Threaded.
- Precisely machined, round outer surface and a uniform, precisely square-shaped hole completely through its center.
Product Data
- Nominal Square Size
:
12.827
mm
+/- 0.0254
(Equiv. 0.505 in.) - Outside Diameter (C)
19.837
mm
(Equiv. 0.781 in.) - Length (B)
69.850
mm
(Equiv. 2.75 in.) - Actual Square Size (A) 12.700 mm
- Thread Depth (D) 15.875 mm
- Thread Size 5/8-18 UNF (15.875mm)
- Material Carbon Steel 11L17
Product Compliance and Data
Additional Resources
Cross References
- SHS50
- SHS-50
- A7C19T050
- A7C19-T050


