
Miniature Bearings Australia
JLP-50RS - Datasheet
MBA
Category Information
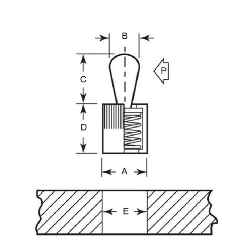
Pins - Locating Spring - Steel Pin - SealedSealed Steel Pin Locating Spring Pins. Aluminium Body. For fixturing small parts in tight areas. Ideal for positioning and chucking flat or round parts for profile clamping.
Product Data
- Diameter (A) 
:
12.70
mm
(Equiv. 0.5 in.) - Pin Diameter (B) 
8.00
mm
(Equiv. 0.315 in.) - Pin Height (C) 
13.00
mm
(Equiv. 0.512 in.) - D 14.00 mm
 - E 12.70 mm + 0.025 / - 0.000
 - P Force 5.08 Kg
 - X 2.59 mm
 - Installation Tool JLP-415
 - Material Carbon Steel
 
Product Compliance and Data
Additional Resources
View full details


