
Miniature Bearings Australia
BLTO-01270-CS-1P-A - Datasheet
MBA
Category Information
Balls - Tooling - One Piece - Press Fit - Standard - SteelSteel Standard Press Fit One Piece Tooling Balls. 1144 steel heat treated to 53-57 RC
- High quality tooling balls provide a precise reference point for critical machining operations.
- Tooling balls, also known as tooling spheres or precision spheres, are precision components used in fixture design, tooling setup, and alignment applications.
- Tooling balls are made of hardened steel or other materials with high wear resistance and precision-ground surfaces.
- Available with slip fit or light press fit shank diameters.
Product Data
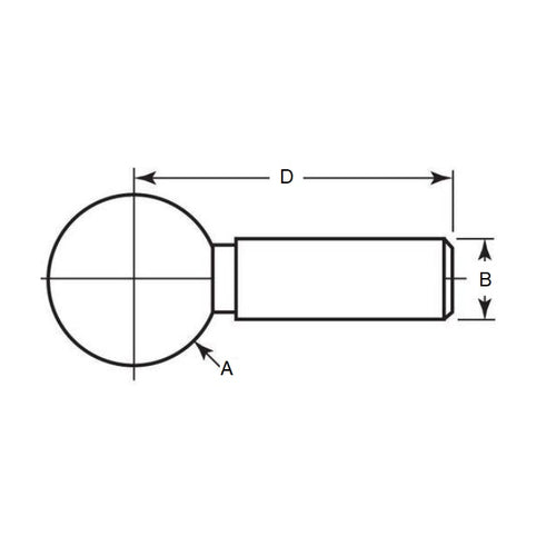
- Diameter (A)
:
12.700
mm
+/- 0.0051
(Equiv. 0.5 in.) - Shank Diameter (B)
6.350
mm
+ 0.0000 / - 0.0076
(Equiv. 0.25 in.) - Base to Centre (C)
23.876
mm
(Equiv. 0.94 in.) - Material Carbon Steel
Product Compliance and Data
Additional Resources
Cross References
- TCB26716
- TCB-26716


