
Miniature Bearings Australia
COL-01270-032-10-HG-CS - Datasheet
MBA
Category Information
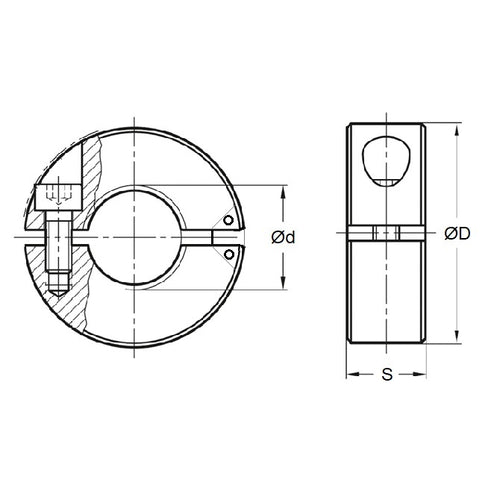
Collars - Shaft - Hinged - SteelSteel Hinged Shaft Collars. Precision machined. Convenient easy-to-assemble design. Steel 12L14 (9SMn Pb36)
- Same axial load handling capabilities as standard two piece collars.
- Captive clamp screw eliminates lost screws.
- The collars have a smooth I.D., O.D. & sides with no protruding pins or screws.
- Easily Machinable / Open Completely.
- Non-marring / Use on hardened shafts / Use on tubing / Use on split hubs.
Product Data
- Suitable Shaft Size (d)
:
12.700
mm
(Equiv. 0.5 in.) - Outside Diameter (D)
31.80
mm
(Equiv. 1.252 in.) - Overall Width (S)
9.5
mm
(Equiv. 0.374 in.) - Screw Size 8-32 UNC (4.17mm)
- Material Carbon Steel
Product Compliance and Data
Additional Resources
Cross References
- 57145K72
- CTC-401
- CTC401



