
Miniature Bearings Australia
CLP-127-0302-CZ - Datasheet
MBA
Category Information
Pins - Clevis - Pin Locking - Zinc PlatedZinc Plated Pin Locking Clevis Pins. Match with a suitable R-Clip or Spilt Pin - pin size shown in listings
- Non-threaded fastener with a head on one end and a hole/groove on the other, used to connect two or more parts in a way that allows for rotation, similar to a bolt, by passing through aligned holes.
- A retaining pin, such as a cotter pin, E-clip or R-clip, is inserted into the hole/groove at the end to keep the clevis pin secured in place.
- In addition to retaining parts on a shaft or axle, clevis pins can also be used as light duty axles, spring holders or even fishing line weights.
- Sinc plated low carbon steel
Product Data
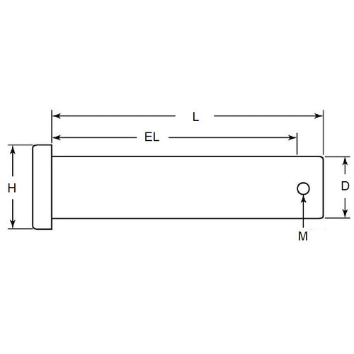
- Nominal Pin Diameter (D)
:
12.70
mm
- 0.10 / - 0.23
(Equiv. 0.5 in.) - Grip Length (EL)
30.16
mm
+ 0.51 / - 0.00
(Equiv. 1.187 in.) - Nom. Length (L)
36.12
mm
+ 0.51 / - 0.00
(Equiv. 1.422 in.) - Ret. Pin Dia. (M) 3.8 mm
- Material Zinc Plated Low Carbon Steel
Product Compliance and Data
Additional Resources
Cross References
- 97245A415
- NoCor CLPZ-0500-1421/B
- NoCor CLPZ-0500-1421-B
- CLP1270302Z
- CLPZ05001421B
- CLPZ05001421/B


