
Miniature Bearings Australia
SWMR24-127-2RS-FC-ECO - Datasheet
ECO
Category Information
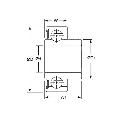
Bearings - Single Row Ball - Unflanged - Precision - Extended InnerExtended Inner Precision Unflanged Single Row Ball Bearings. Single row radial ball bearings with extended inner ring (wide inner ring).
- Single row radial ball bearings are arguably the most common, widely used type of bearing. They consist of an inner ring, an outer ring, a set of balls, and a cage that retains the balls in a circular path.
- Single row radial ball bearings are commonly used in a wide range of applications, including electric motors, fans, pumps, gearboxes, agricultural equipment, appliances, and automotive components.
- They are versatile, cost-effective bearings that provide reliable support for radial loads and minimal axial load in one direction. An expanded range may be available on special order. Please enquire.
- If the size you require is not available, you might consider using a standard bearing with shim washers.
Product Data
- ID (d)
:
12.700
mm
(Equiv. 0.5 in.) - O.D. (D)
24.000
mm
(Equiv. 0.945 in.) - Width (B)
7.000
mm
(Equiv. 0.276 in.) - Inner Ring Width (Bn) 10.000 mm
- Precision Grade Economy
- Closure Type 2RS
- Bearing Type Radial with Extended Inner
- Material Stainless Steel AISI 440C - Full Complement - No Retainer
- Lubrication Type Grease
- Lubrication Name Standard Unspecified
- Basic Part WMR24127
- Limiting Speed 3573.3
- Cage Type Full Complement
- Static Load Rating KGf 130.9
- Dynamic Load Rating KGf 240.8
- Radii Undefined mm
- Inner Shoulder (UI) Undefinedmm
- Outer Shoulder (UO) Undefined mm
- Number of Balls Undefined
- Clearance ECO (3 to 33)
- Precision Grade ECO
- Closure Type 2RS
- Max Temperature 80 Deg. C
Product Compliance and Data
Additional Resources
- Catalogue: Ceramic Bearings Catalogue
- Catalogue: Plastic Bearings Catalogue
- Catalogue: Standard Bearings Catalogue
- General: Bearing Cleanliness
- General: Bearing Clearances
- General: Bearing Flanges & Snap Rings
- General: Bearing Retainers (Cages)
- General: General Loads Information
- General: Lubrication
- General: Prefix & Suffix Guide
- General: Static vs Dynamic Loads
- Materials: 316 Stainless
- Materials: CASSTOP Anti-Corrosion Bearing Material
- Materials: Ceramic vs Ceramic Hybrid
- Materials: Ceramic Bearings in Vibratory Applications
- Materials: Ceramic Hybrid Bearings in Vibratory Applications
- Materials: General Bearing Materials
- Materials: Magnetism & Bearings
- Precision: 316 Stainless & Plastic Bearing Tolerances
- Precision: ABEC Basic Information
- Precision: Precision Bearing Tolerances
- Problem Solving: Bearing Failure
- Problem Solving: Fatigue (L10 Life)
- Problem Solving: Noise
Cross References
- BOCA SMR2412.7-2RS-W7-10-C3-FCNB2
- BOCA SMR2412.7-RS-W7-10-C3-FCNB2
- BOCA SSMR2412.7-2RS-W7-10-C3-FCNB2
- BOCA SSMR2412.7-RS-W7-10-C3-FCNB2
- Sealed SSWMR24 / 7
- Sealed SWMR24 / 7
- SSWMR24127FC2RSECO
- SSWMR24127FCRSECO
- SMR241272RSW710C3FCNB2
- SMR24127RSW710C3FCNB2
- SSMR241272RSW710C3FCNB2
- SSMR24127RSW710C3FCNB2
- WMR24127 Basic Size Ref


