
Miniature Bearings Australia
BP0127-0191-0445-BSTH2 - Datasheet
MBA
Category Information
Bushes - Unflanged - Bronze - SinteredSintered Bronze Unflanged Bushes. Oil impregnated sintered bronze bushes.
- An expanded range may be available on special order. Please enquire.
- Precision items show an allowable Load Speed Rating in Newtons times RPM.
Product Data
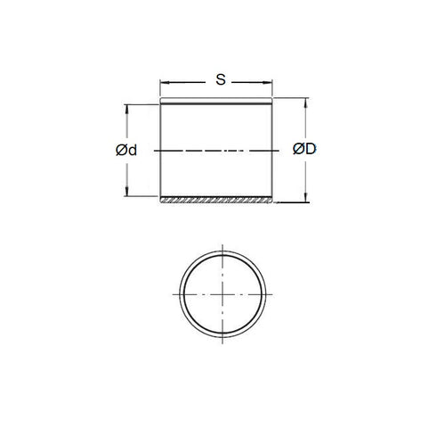
- Nominal Inside Diameter (d)
:
12.700
mm
+ 0.038 / + 0.064
(Equiv. 0.5 in.) - Nominal Outside Diameter (D)
19.050
mm
+ 0.051 / + 0.076
(Equiv. 0.75 in.) - Length (s)
44.450
mm
+/- 0.190
(Equiv. 1.75 in.) - Material Bronze SAE 841 Sintered
Product Compliance and Data
Additional Resources
- DU Bush Material Information
- General Bushes Catalogue
- Sintered Bronze Products Catalogue
- Solid Bronze Bushes catalogue
Cross References
- Oilite AA-744-2
- Oilube AA-744-2
- Oilite AA744-2
- Oilube SS-1624-28
- Symmco SS-1624-28
- BP012701910445BSHH2
- BP012701910445BSSH
- BP012701910445BS-SH
- A7B4SP162414
- A7B4-SP162414
- SS162428
- AA7442


