
Miniature Bearings Australia
BP0127-0191-0381-BSTH2 - Datasheet
MBA
Category Information
Bushes - Unflanged - Bronze - SinteredSintered Bronze Unflanged Bushes. Oil impregnated sintered bronze bushes.
- An expanded range may be available on special order. Please enquire.
- Precision items show an allowable Load Speed Rating in Newtons times RPM.
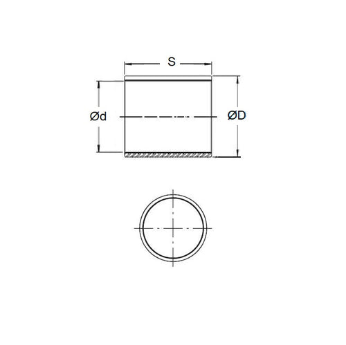
Product Data
- Nominal Inside Diameter (d)
:
12.700
mm
+ 0.038 / + 0.064
(Equiv. 0.5 in.) - Nominal Outside Diameter (D)
19.050
mm
+ 0.051 / + 0.076
(Equiv. 0.75 in.) - Length (s)
38.100
mm
+/- 0.127
(Equiv. 1.5 in.) - Material Bronze SAE 841 Sintered
Product Compliance and Data
Additional Resources
- DU Bush Material Information
- General Bushes Catalogue
- Sintered Bronze Products Catalogue
- Solid Bronze Bushes catalogue
Cross References
- 6391K413
- Oilite AA-744-1
- Oilube AA-744-1
- Oilite AA744-1
- Oilube SS-1624-24
- Symmco SS-1624-24
- BP012701910381BS
- BP012701910381BSHH
- BP012701910381BS-SH
- BP012701910381BSSH
- BP012701910381BSHH2
- A7B4SP162412
- A7B4-SP162412
- SS162424
- AA7441


