
Miniature Bearings Australia
BP0127-0191-0318-BSTH1 - Datasheet
MBA
Category Information
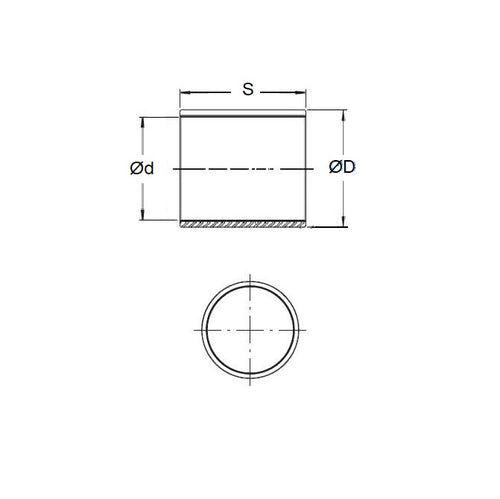
Bushes - Unflanged - Bronze - SinteredSintered Bronze Unflanged Bushes. Oil impregnated sintered bronze bushes.
- An expanded range may be available on special order. Please enquire.
- Precision items show an allowable Load Speed Rating in Newtons times RPM.
Product Data
- Nominal Inside Diameter (d)
:
12.700
mm
+ 0.025 / + 0.051
(Equiv. 0.5 in.) - Nominal Outside Diameter (D)
19.050
mm
+ 0.051 / + 0.076
(Equiv. 0.75 in.) - Length (s)
31.750
mm
+/- 0.127
(Equiv. 1.25 in.) - Material Bronze SAE 841 Sintered
Product Compliance and Data
Additional Resources
- DU Bush Material Information
- General Bushes Catalogue
- Sintered Bronze Products Catalogue
- Solid Bronze Bushes catalogue
Cross References
- 6391K226
- Oilite AA751-7
- Bunting B-812-10
- Shorlube C1624-6
- Bunting EP081220
- Daemar P-52-10
- P5210
- BP012701910318BS
- BNT-156
- BNT156
- BP012701910318BSTH
- A7B4SP162410
- A7B4-SP162410
- B81210
- AA7517
- C16246


