Miniature Bearings Australia - MBA Minibearings
Miniature Bearings Australia

BF0127-0191-0191-PRJ - Datasheet

MBA

Category Information

Bushes - Flanged - Plastic - Rulon J

Rulon J Plastic Flanged Bushes. Max Load: 5.2 MPa (750 psi). Gold colour. Max surface speed: 2m/s. Max PV: 0.26 (Mpa x m/s)

  • An expanded range may be available on special order. Please enquire.
  • Non Metallic Bushes. Excellent insulator. Nor suitable for steam or wet conditions. Not FDA compliant. Suitable for dry conditions or vacuum.
  • 288 oC (550 Deg F) Maximum Working Temperature.
  • Patented all polymeric PTFE compound which operates well against soft mating surfaces.
  • Lowest co-efficient of friction in the Rulon(R) product range.

Product Data

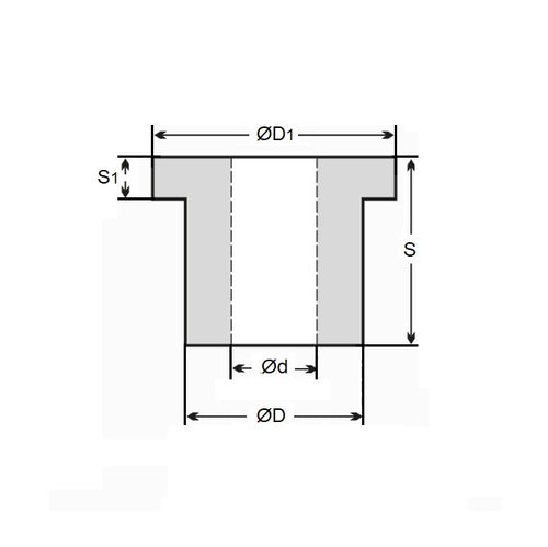
  • Nominal Inside Diameter (d) : 12.700 mm + 0.18 / + 0.23
    (Equiv. 0.5 in.)
  • Nominal Outside Diameter (D) 19.050 mm + 0.08 / + 0.13
    (Equiv. 0.75 in.)
  • Length (s) 19.050 mm + 0.00 / - 0.25
    (Equiv. 0.75 in.)
  • Flange OD (D1) 25.40 mm
  • Flange Thickness (s1) 3.18 mm
  • Rec. Housing Bore 19.050 / 19.025 mm
  • Rec. Shaft Size 12.700 / 12.675
  • Material Rulon J
Country of Origin: US

Product Compliance and Data

Additional Resources

Cross References

  • 6377K16
  • Rulon DRJF-0812-6-J
  • DRJF08126J
View full details