
Miniature Bearings Australia
BF0127-0191-0131-BS2237TH - Datasheet
MBA
Category Information
Bushes - Flanged - Bronze - SinteredSintered Bronze Flanged Bushes. Oil impregnated flanged sintered bronze bushes.
- An expanded range may be available on special order. Please enquire.
- Precision items show an allowable Load Speed Rating in Newtons times RPM.
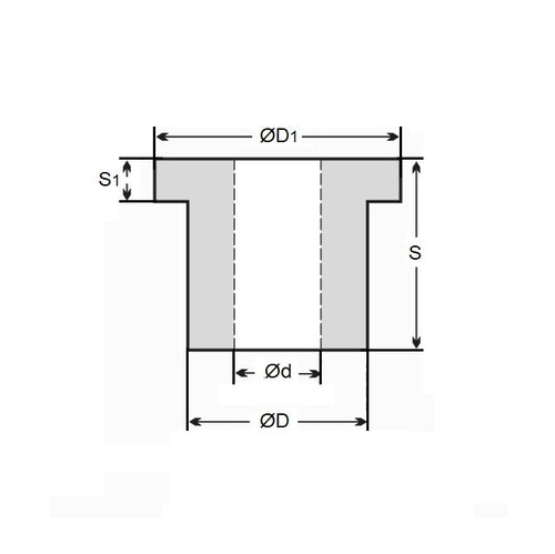
Product Data
- Nominal Inside Diameter (d)
:
12.700
mm
+ 0.025 / + 0.051
(Equiv. 0.5 in.) - Nominal Outside Diameter (D)
19.050
mm
+ 0.076 / + 0.102
(Equiv. 0.75 in.) - Length (s)
13.081
mm
+/- 0.127
(Equiv. 0.515 in.) - Flange OD (D1) 22.23 mm
- Flange Thickness (S1) 3.68 mm
- Material Bronze SAE 841 Sintered
Product Compliance and Data
Additional Resources
- DU Bush Material Information
- General Bushes Catalogue
- Sintered Bronze Products Catalogue
- Solid Bronze Bushes catalogue
Cross References
- A7B4F026
- A7B4-F026
- BF012701910131BS
- BF012701910131BSTH


