
Miniature Bearings Australia
BF0127-0191-0127-BS2532TH - Datasheet
MBA
Category Information
Bushes - Flanged - Bronze - SinteredSintered Bronze Flanged Bushes. Oil impregnated flanged sintered bronze bushes.
- An expanded range may be available on special order. Please enquire.
- Precision items show an allowable Load Speed Rating in Newtons times RPM.
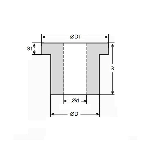
Product Data
- Nominal Inside Diameter (d)
:
12.700
mm
+ 0.025 / + 0.051
(Equiv. 0.5 in.) - Nominal Outside Diameter (D)
19.050
mm
+ 0.051 / + 0.076
(Equiv. 0.75 in.) - Length (s)
12.700
mm
+/- 0.127
(Equiv. 0.5 in.) - Flange OD (D1) 25.40 mm
- Flange Thickness (S1) 3.18 mm
- Material Bronze SAE 841 Sintered
Product Compliance and Data
Additional Resources
- DU Bush Material Information
- General Bushes Catalogue
- Sintered Bronze Products Catalogue
- Solid Bronze Bushes catalogue
Cross References
- 6338K422
- Bunting BSF-1624-8
- Bunting EF081208
- Boston FB-812-4
- Oilite FB812-4
- Oilite FF621-01B
- Daemar FL-52-4
- BF012701910127BS
- BSF16248
- FB8124
- FF62101B
- A7B4-SF162404
- A7B4SF162404
- QF3971
- QF397-1
- FL524



