
Miniature Bearings Australia
BP0127-0175-0318-BSHT - Datasheet
MBA
Category Information
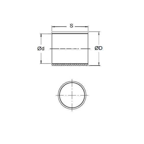
Bushes - Unflanged - Bronze - SinteredSintered Bronze Unflanged Bushes. Oil impregnated sintered bronze bushes.
- An expanded range may be available on special order. Please enquire.
- Precision items show an allowable Load Speed Rating in Newtons times RPM.
Product Data
- Nominal Inside Diameter (d)
:
12.700
mm
+ 0.051 / + 0.076
(Equiv. 0.5 in.) - Nominal Outside Diameter (D)
17.463
mm
+ 0.038 / + 0.064
(Equiv. 0.688 in.) - Length (s)
31.750
mm
+/- 0.127
(Equiv. 1.25 in.) - Material Bronze SAE 841 Sintered
Product Compliance and Data
Additional Resources
- DU Bush Material Information
- General Bushes Catalogue
- Sintered Bronze Products Catalogue
- Solid Bronze Bushes catalogue
Cross References
- Symmco SS-1622-20
- BP012701750318BSH
- BP012701750318BSHH
- A7B4-SP162210
- A7B4SP162210
- SS162220


