
Miniature Bearings Australia
BF0127-0159-0064-BS2124TH - Datasheet
MBA
Category Information
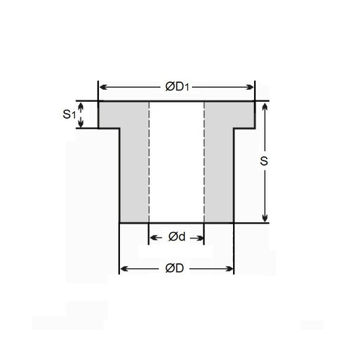
Bushes - Flanged - Bronze - SinteredSintered Bronze Flanged Bushes. Oil impregnated flanged sintered bronze bushes.
- An expanded range may be available on special order. Please enquire.
- Precision items show an allowable Load Speed Rating in Newtons times RPM.
Product Data
- Nominal Inside Diameter (d)
:
12.700
mm
+ 0.025 / + 0.051
(Equiv. 0.5 in.) - Nominal Outside Diameter (D)
15.875
mm
+ 0.076 / + 0.102
(Equiv. 0.625 in.) - Length (s)
6.350
mm
+/- 0.127
(Equiv. 0.25 in.) - Flange OD (D1) 20.62 mm
- Flange Thickness (S1) 2.41 mm
- Material Bronze SAE 841 Sintered
Product Compliance and Data
Additional Resources
- DU Bush Material Information
- General Bushes Catalogue
- Sintered Bronze Products Catalogue
- Solid Bronze Bushes catalogue
Cross References
- BF012701590064BS
- BF012701590064BSTH
- A7B4F017
- A7B4-F017


