
Miniature Bearings Australia
BF0127-0159-0035-BS2213TH - Datasheet
MBA
Category Information
Bushes - Flanged - Bronze - SinteredSintered Bronze Flanged Bushes. Oil impregnated flanged sintered bronze bushes.
- An expanded range may be available on special order. Please enquire.
- Precision items show an allowable Load Speed Rating in Newtons times RPM.
Product Data
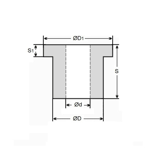
- Nominal Inside Diameter (d)
:
12.700
mm
+ 0.025 / + 0.051
(Equiv. 0.5 in.) - Nominal Outside Diameter (D)
15.875
mm
+ 0.076 / + 0.102
(Equiv. 0.625 in.) - Length (s)
3.531
mm
+ 0.000 / - 0.178
(Equiv. 0.139 in.) - Flange OD (D1) 22.23 mm
- Flange Thickness (S1) 1.27 mm
- Material Bronze SAE 841 Sintered
Product Compliance and Data
Additional Resources
- DU Bush Material Information
- General Bushes Catalogue
- Sintered Bronze Products Catalogue
- Solid Bronze Bushes catalogue
Cross References
- BF012701590035BS
- BF012701590035BSTH
- A7B4-F085
- A7B4F085


