
Miniature Bearings Australia
BP0127-0159-0191-BSTH1 - Datasheet
MBA
Category Information
Bushes - Unflanged - Bronze - SinteredSintered Bronze Unflanged Bushes. Oil impregnated sintered bronze bushes.
- An expanded range may be available on special order. Please enquire.
- Precision items show an allowable Load Speed Rating in Newtons times RPM.
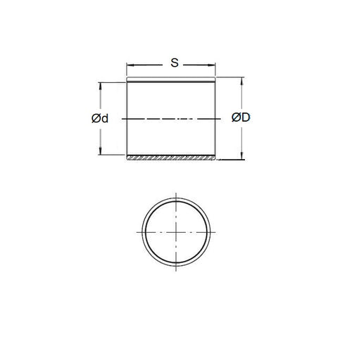
Product Data
- Nominal Inside Diameter (d)
:
12.700
mm
+ 0.025 / + 0.051
(Equiv. 0.5 in.) - Nominal Outside Diameter (D)
15.875
mm
+ 0.051 / + 0.076
(Equiv. 0.625 in.) - Length (s)
19.050
mm
+/- 0.127
(Equiv. 0.75 in.) - Material Bronze SAE 841 Sintered
Product Compliance and Data
Additional Resources
- DU Bush Material Information
- General Bushes Catalogue
- Sintered Bronze Products Catalogue
- Solid Bronze Bushes catalogue
Cross References
- 6391K214
- Bunting B-810-6
- Shorlube C1620-5
- Bunting EP081012
- Daemar P-50-6
- Symmco SS-1620-12
- P506
- BP012701590191BS
- BP012701590191BSTH
- BNT148
- BNT-148
- A7B4-SP162006
- A7B4SP162006
- B8106
- SS162012
- QT513
- QT51-3
- C16205


