
Miniature Bearings Australia
BSD-60LOSSRS - Datasheet
MBA
Category Information
Pins - Pull - Tee Handle - Stainless SteelStainless Steel Tee Handle Pull Pins. Spring loaded pull pins allow you to quickly retract and engage the plunger for locating, fastening and quick change operations.
- Two part assembly includes a barrel and a plunger assembly. The plunger assembly screws into the housing. The housing is designed to be welded into place for strength.
- Pulling on the handle of the plunger assembly retracts the plunger into the housing. Releasing the handle allows the spring loaded plunger to extend.
- Handles are black plastic.
- 303 stainless steel plunger assembly and housing.
- Pull up force approx 2.2kg. Lockout style (indicated in tables) allows you to pull and rotate handle 1/4 turn to lock plunger in retracted position.
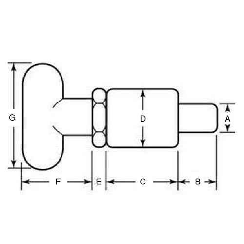
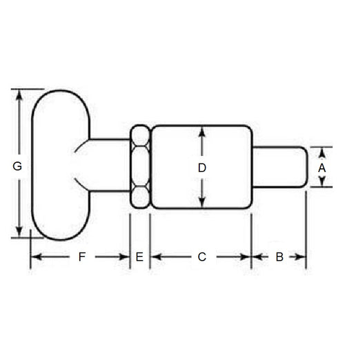
Product Data
- Nominal Pin Diameter (A)
:
12.700
mm
(Equiv. 0.5 in.) - Pin Length (B)
14.288
mm
(Equiv. 0.563 in.) - Body Length (C)
38.100
mm
(Equiv. 1.5 in.) - Body Diameter (D) 25.400 mm
- Nut Height (E) 4.763 mm
- Knob Height (F) 36.513 mm
- Type Lockout
- Knob Length (G) 57.150
- Material Stainless Steel
Product Compliance and Data
Additional Resources
Cross References
- 91712A351



