
Miniature Bearings Australia
GHK1270-1270-051 - Datasheet
ExaktKey
Category Information
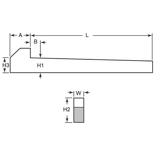
Keys - Gib Head - SteelSteel Gib Head Keys. Tapered 3.000 mm per 300 mm (1:100)
- An expanded range may be available on special order. Please enquire.
Product Data
- Nominal Key Height (H1)
:
12.700
mm
(Equiv. 0.5 in.) - Width (W)
12.700
mm
(Equiv. 0.5 in.) - Length (L)
50.8
mm
(Equiv. 2 in.) - Head Height (h2) Approx. 19.1 mm
- Approx (B) 10.16
- Approx (H3) 13.49
- Taper 1:100
- Standard BS46
- Head Length (Approx) (A) 14.29 mm
- Material Cold Finished Steel
Product Compliance and Data
Additional Resources
Cross References
- 98471A237
- NoCor GIB-0500-2000
- GIB05002000


