
Miniature Bearings Australia
GHK1270-1270-114 - Datasheet
ExaktKey
Category Information
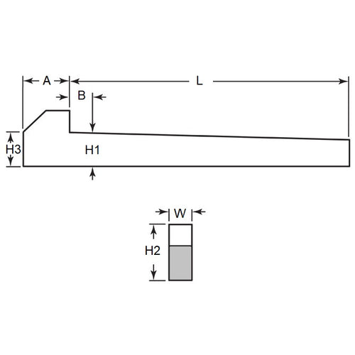
Keys - Gib Head - SteelSteel Gib Head Keys. Tapered 3.000 mm per 300 mm (1:100)
- An expanded range may be available on special order. Please enquire.
Product Data
- Nominal Key Height (H1)
:
12.700
mm
(Equiv. 0.5 in.) - Width (W)
12.700
mm
(Equiv. 0.5 in.) - Length (L)
114.3
mm
(Equiv. 4.5 in.) - Approx (B) 10.16
- Material Cold Finished Steel
Product Compliance and Data
Additional Resources
Cross References
- 98471A242
- NoCor GIB-0500-4500
- GIB05004500


