
Miniature Bearings Australia
REF-127-R-PP-A - Datasheet
MBA
Category Information
Rod Ends - Female - PlasticPlastic Female Rod Ends. Thermoplastic Body / L280(R) Polymer Ball. Also known as Heim Joints
- An expanded range may be available on special order. Please enquire.
- Dimensions not shown are available on request.
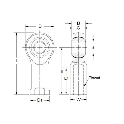
Product Data
- Eye Size (d1)
:
12.700
mm
(Equiv. 0.5 in.) - Overall Length (L)
70.64
mm
(Equiv. 2.781 in.) - Thread Size 1/2-20 UNF Right
- Thread Length (l2) 26.97 mm
- Head Width (W) 15.88 mm
- Eye Width (W1) 11.51 mm
- Head Diameter (D1) 25.40 mm
- Centre Height (l1) 53.98 mm
- Grease Nipple No
- Max Angle of Pivot 22 °
- Max Torque Strength 23.00 n.m
- Body Width/Flange Width(W2/D3) 22.23 / 26.97 mm
- Material Plastic
Product Compliance and Data
Additional Resources
Cross References
- 1064K76-RIGHT
- Igus KBRI-08
- 1064K76RIGHT
- KBRI08
- I-510
- I510


