
Miniature Bearings Australia
BFM-500-N - Datasheet
MBA
Category Information
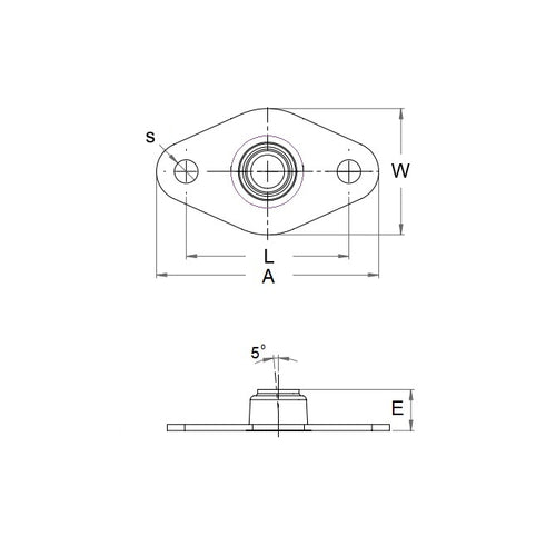
Housing and Bearing Assembly - Flanged 2 Bolt - Aligning - Needle RollerNeedle Roller Aligning Flanged 2 Bolt Housing and Bearing Assembly. Low profile self aligning flange mounted needle roller bearings
- Bearing housing assemblies combine matching parts already assembled. Bearings in this range refer to either ball bearings or plain bearings. Refer to the listings for each type.
- Flanged mounting allows for a shaft to run through a bulkhead to which the housing is mounted, or to have a shaft mounted perpendicular to a metal frame.
- +/- 5% Static Alignment
Product Data
Deleted Item. Available while stocks last.
Please contact us first if you wish to use this item in a new design so we can check whether production can be resumed.
- Nominal Shaft Size
:
12.700
mm
(Equiv. 0.5 in.) - Width (W)
59.44
mm
(Equiv. 2.34 in.) - Overall Length (A)
27.78
mm
(Equiv. 1.094 in.) - Overall Height (E) 39.62 mm
- Min to Max Shaft Dia. 12.687 to 12.700 mm
- Max. Radial Dynamic Load 4626 N
- Bolt Hole Centres (L) 45.21 mm
- Max Speed 22000
- Material Steel
Product Compliance and Data
Additional Resources


