
Miniature Bearings Australia
KF127-038-KOPH - Datasheet
MBA
Category Information
Knobs - Ball - Knock On PhenolicKnock On Phenolic Ball Knobs. Moulded from black phenolic resin.
- An expanded range may be available on special order. Please enquire.
- Light Weight.
- Thermal insulating.
- Non corrosive.
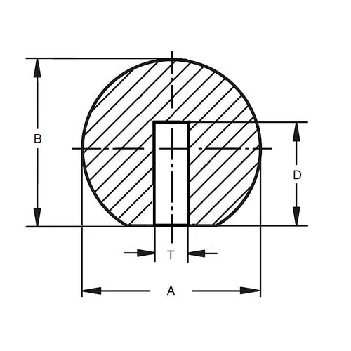
- POK Type have a ribbed insert. Shaft should be 0 to 0.007 mm undersized for best results
- 712 Type suit standard metric rod
Product Data
- Thread or Hole Size : 12.70 mm Knock On
- Ball Diameter (A)
38.10
mm
(Equiv. 1.5 in.) - Colour Black
- Hole Type Ribbed Insert
- Material Phenolic
Product Compliance and Data
Additional Resources
Cross References
- POK45
- POK-45


