
Miniature Bearings Australia
NCF5RS - Datasheet
MBA
Category Information
Cam Followers - Bronze Bushing Self LubricatingBronze Bushing Self Lubricating Cam Followers. This is the main category in this series
Product Data
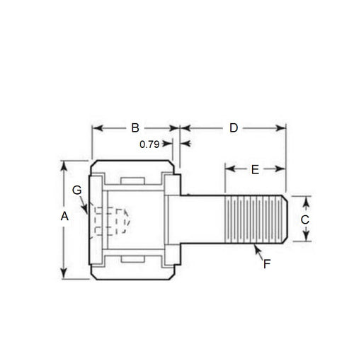
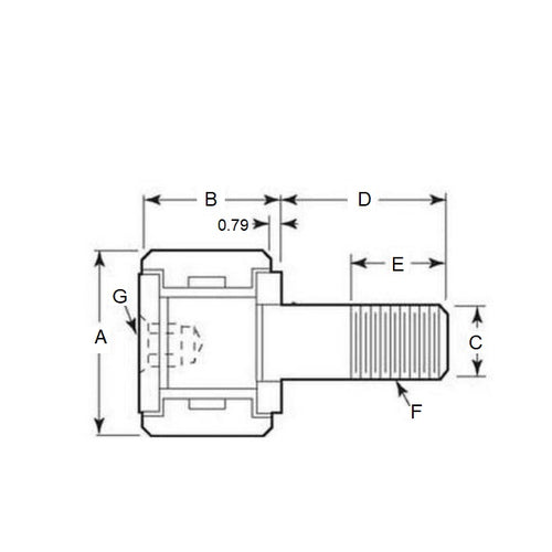
- Diameter (A)
:
12.700
mm
(Equiv. 0.5 in.) - Length
25.400
mm
(Equiv. 1 in.) - Thread (F) 10-32 UNF (4.76mm)
- Thread Length (E) 6.350 mm
- Roller Width (B) 9.525 mm
- Material Steel and Bronze
Product Compliance and Data
Additional Resources
Cross References
- NCF5
- NCF-5


