
Miniature Bearings Australia
PBC-110RS - Datasheet
MBA
Category Information
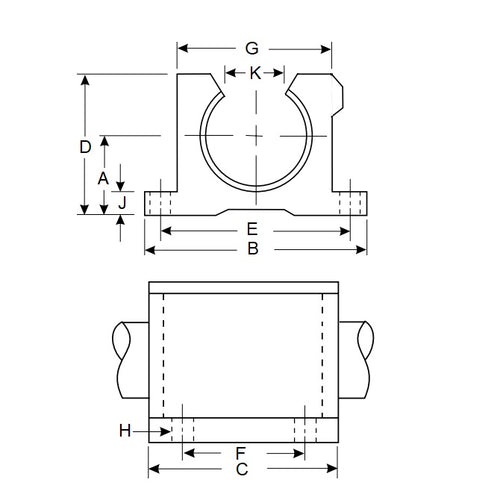
Linear - Housings Pillow Block Frelon - Precision - OpenOpen Precision Housings Pillow Block Frelon Linear. Single and double length
- Bearing is Frelon Gold -tm- encased in a flanged housing made from 6061-T6 aluminium. Double length has two bearings mounted internally.
- For rotating and linear motion.
Product Data
- Bore Diameter
:
12.700
mm
+ 0.10 / + 0.05
(Equiv. 0.5 in.) - Centre Bore Height (A)
17.450
mm
(Equiv. 0.687 in.) - Base Width (B)
50.800
mm
(Equiv. 2 in.) - Overall Length (C) 88.900 mm
- Height (D) 28.575 mm
- Centre Bolt Holes Width (E) 42.875 mm
- Centre Bolt Holes Length (F) 63.500 mm
- Housing Width (G) 34.925 mm
- Bolt Hole Size 3.962 mm
- Flange Height (J) 6.350 mm
- Centre Bore Height (A) 7.950 mm
- Max Load Rating 884.50 Kg
Product Compliance and Data
Additional Resources
Cross References
- Pacific PWN08


