
Miniature Bearings Australia
P-050H-011-090FF-PP-N-040 - Datasheet
MBA
Category Information
Pulleys - Metric Timing - 5.000mm Pitch - HTD - 9mm Wide - Plastic - PlainPlain Plastic 9mm Wide HTD 5.000mm Pitch Metric Timing. Timing Pulleys to suit HTD 5.000mm Pitch Timing Belts. Suits belts 9.0 to 9.6mm wide. No locking device.
- Timing pulleys combined with timing belts, provide power transmission without slippage.
- Timing pulleys are toothed pulleys used with timing belts to synchronize the movement of different mechanical components, ensuring precise timing and coordination.
- Some uses for timing pulleys include 3D printers, CNC machines, robotics and automation components, textile machinery, office equipment such as scanners and copiers, and medical devices requiring precise movement control.
Product Data
Deleted Item. Available while stocks last.
Please contact us first if you wish to use this item in a new design so we can check whether production can be resumed.
- Number of Teeth : 11
- Max Belt Width
9.00
mm
(Equiv. 0.354 in.) - Bore (d)
4.000
mm
(Equiv. 0.157 in.) - Locking Type No Locking Device
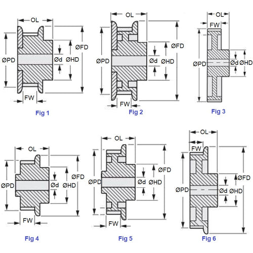
- Type (See Diagram) Fig 1 mm
- Pitch Diameter (PD) 17.50 mm
- Flange Diameter (FD) 22.0 mm
- Overall Length 20.6 mm
- Hub Diameter (HD) 17.5 mm
- Material Plastic
Product Compliance and Data
Additional Resources
Cross References
- A 6L25M011DF0904
- A6L25M011DF0904


