
Miniature Bearings Australia
MLF-127C-S3NY-2LH - Datasheet
MBA
Category Information
Mounts - Levelling Socket - Standard - Nylon - With Lag HolesWith Lag Holes Nylon Standard Levelling Socket Mounts. Levelling adjusters. Steel and stainless steel threads.
- An expanded range may be available on special order. Please enquire.
Product Data
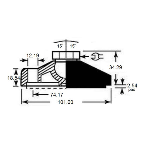
- Thread Size (A) : 1/2-13 UNC (12.7mm)
- Base Diameter (D)
101.6
mm
(Equiv. 4 in.) - Foot Height (C)
18.5
mm
(Equiv. 0.728 in.) - Overall Height 34.29 mm
- Load Rating 1180 Kg
- Lag Hole Diameter 12.192 mm
- Distance Between Lags 73.91 mm
- Material Stainless Steel
Product Compliance and Data
Additional Resources
Cross References
- 60985K49
- RL-3105-S
- RL3105S
- MLF1180127CNS32


