
Miniature Bearings Australia
MLM-1180-159C-NS3-2LH - Datasheet
MBA
Category Information
Mounts - Levelling Studded - Light Duty - Nylon - Loc A Lign - With Lag HolesWith Lag Holes Loc A Lign Nylon Light Duty Levelling Studded Mounts. Adjusters.
- An expanded range may be available on special order. Please enquire.
Product Data
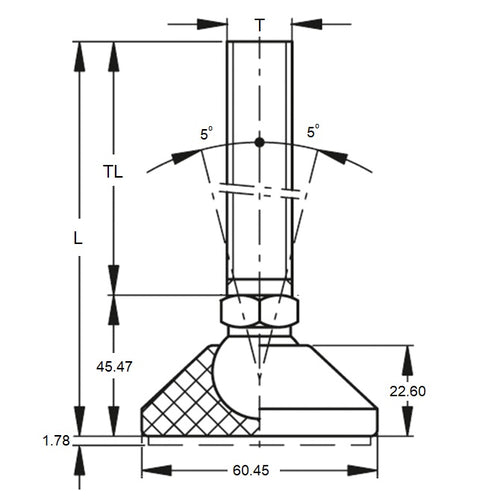
- Thread Size (A) : 5/8-11 UNC (15.88mm)
- Base Diameter (D)
101.6
mm
(Equiv. 4 in.) - Foot Height (C)
18.5
mm
(Equiv. 0.728 in.) - Thread Length (F) 150.4 mm
- Base Height (E) 44.9 mm
- Overall Height 195.33 mm
- Load Rating 1180 Kg
- Distance Between Lags 5 mm
- Lag Hole Diameter 11.684 mm
- 73.66
- Material Stainless Steel
Product Compliance and Data
Additional Resources
Cross References
- 2531K68
- RL2070S
- RL-2070-S
- MLM0150159CNS32
- MLM1180159CNS32


