
Miniature Bearings Australia
MLM-191C-150-S3NY-LA0LH - Datasheet
MBA
Category Information
Mounts - Levelling Studded - Light Duty - Nylon - Loc A Lign - No Lag HolesNo Lag Holes Loc A Lign Nylon Light Duty Levelling Studded Mounts. Adjusters.
- An expanded range may be available on special order. Please enquire.
Product Data
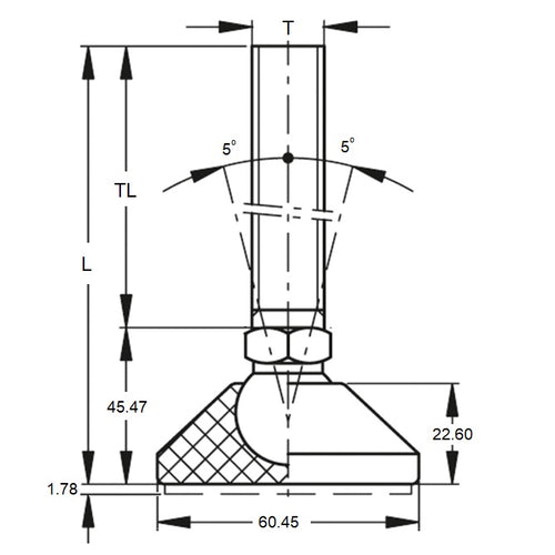
- Thread Size (A) : 3/4-10 UNC (19.05mm)
- Base Diameter (D)
101.6
mm
(Equiv. 4 in.) - Foot Height (C)
18.5
mm
(Equiv. 0.728 in.) - Thread Length (F) 150.4 mm
- Base Height (E) 44.9 mm
- Overall Height 195.33 mm
- Load Rating 1180 Kg
- Thread Material 5
- Material Stainless Steel
Product Compliance and Data
Additional Resources
Cross References
- RL2055S
- RL-2055-S
- MLM0150191CNS3
- MLM1180191CNS3


