
Miniature Bearings Australia
MLM-191C-227-S3NY-LA2LH - Datasheet
MBA
Category Information
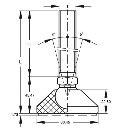
Mounts - Levelling Studded - Light Duty - Nylon - Loc A Lign - With Lag HolesWith Lag Holes Loc A Lign Nylon Light Duty Levelling Studded Mounts. Adjusters.
- An expanded range may be available on special order. Please enquire.
Product Data
- Thread Size (A) : 3/4-10 UNC (19.05mm)
- Base Diameter (D)
101.6
mm
(Equiv. 4 in.) - Foot Height (C)
18.5
mm
(Equiv. 0.728 in.) - Thread Length (F) 226.6 mm
- Base Height (E) 44.9 mm
- Overall Height 271.53 mm
- Load Rating 1180 Kg
- Distance Between Lags 5 mm
- Lag Hole Diameter 11.684 mm
- 73.66
- Material Stainless Steel
Product Compliance and Data
Additional Resources
Cross References
- RL2080S
- RL-2080-S
- MLM1180191CLNS32
- MLM0227191CNS32


