
Miniature Bearings Australia
GE-11500-18000-ST-OH - Datasheet
MBA
Category Information
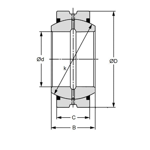
Bushings - Spherical - Steel - With Oil HoleWith Oil Hole Steel Spherical Bushings. Steel spherical plain bearings. Also known as ball bushings.
- Compensates for axial loads and misalignment.
Product Data
- Bore (d1)
:
115.000
mm
(Equiv. 4.528 in.) - OD (d2)
180.000
mm
(Equiv. 7.087 in.) - Width (B)
98.000
mm
(Equiv. 3.858 in.) - Outer Width (C) 85.00 mm
- Dynamic Load Capacity 140000 kgf
- Static Load Capacity 842000 kgf
- Features No Wiper Seals / With Oil Hole
- Material Steel
Product Compliance and Data
Additional Resources
Cross References
- Nachi SB-110A
- IKO SB-115-A
- SB110A
- SB115A



