
Miniature Bearings Australia
CMP24-1904-1143-165 - Datasheet
MBA
Category Information
Clutches - Magnetic Particle 24VDCMagnetic Particle 24VDC Clutches. Ultrafast Responses.
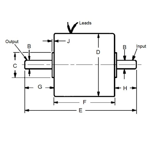
- The input shaft becomes coupled to the output shaft with electrical excitation.
- Shafts have a flat on the end.
- Soft or fast start.
Product Data
- Torque Range : 1153 to 80710 g.cm
- Shaft Diameter
19.037
mm
(Equiv. 0.749 in.) - Overall Length
165.100
mm
(Equiv. 6.5 in.) - Max. Speed 1000
- Outside Diameter 114.300
Product Compliance and Data
Additional Resources
Cross References
- S90MPA-C45D75
- S90MPAC45D75


