
Miniature Bearings Australia
GE-11430-17780-ST-OH - Datasheet
MBA
Category Information
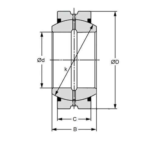
Bushings - Spherical - Steel - With Oil HoleWith Oil Hole Steel Spherical Bushings. Steel spherical plain bearings. Also known as ball bushings.
- Compensates for axial loads and misalignment.
Product Data
- Bore (d1)
:
114.300
mm
(Equiv. 4.5 in.) - OD (d2)
177.80
mm
(Equiv. 7 in.) - Width (B)
100.000
mm
(Equiv. 3.937 in.) - Outer Width (C) 85.72 mm
- Dynamic Load Capacity 141000 kgf
- Static Load Capacity 844000 kgf
- Features No Wiper Seals / With Oil Hole
- Material Steel
Product Compliance and Data
Additional Resources
Cross References
- IKO SBB72
- Nachi SBB-72



