
Miniature Bearings Australia
GE-11430-17780-ST-OH-W - Datasheet
MBA
Category Information
Bushings - Spherical - Steel - With Oil Hole and Wiper SealWith Oil Hole and Wiper Seal Steel Spherical Bushings. Steel spherical plain bearings. Also known as ball bushings.
- Compensates for axial loads and misalignment.
Product Data
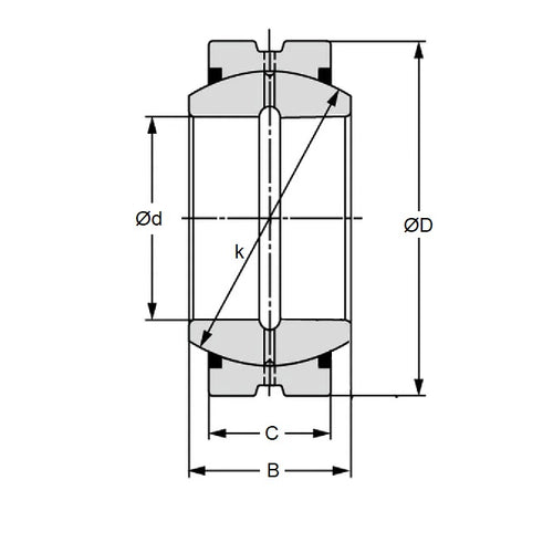
- Bore (d1)
:
114.300
mm
(Equiv. 4.5 in.) - OD (d2)
177.80
mm
(Equiv. 7 in.) - Width (B)
100.000
mm
(Equiv. 3.937 in.) - Outer Width (C) 85.72 mm
- Dynamic Load Capacity 141000 kgf
- Static Load Capacity 844000 kgf
- Features With Wiper Seals / With Oil Hole
- Material Steel
Product Compliance and Data
Additional Resources
Cross References
- Nachi SBB-72-2RS
- IKO SBB72-2RS
- Nachi SBB-72-RS
- IKO SBB72-RS
- SBB7RS
- SBB72RS
- SBB722RS



