
Miniature Bearings Australia
CCF960RS - Datasheet
MBA
Product Data
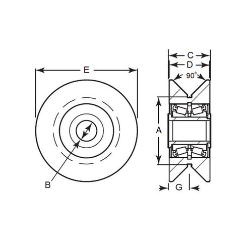
- Diameter (E)
:
114.30
mm
(Equiv. 4.5 in.) - Overall Width (C)
40.95
mm
(Equiv. 1.612 in.) - Bore (B)
25.400
mm
(Equiv. 1 in.) - Groove Diameter (A) 76.200 mm
- Width (D) 44.450 mm
- Centre of Groove (G) 19.050 mm
- Dyanmic Radial Load 5740.000 kg
- Dynamic Thrust Load 5440.000 kg
- Material Steel
Product Compliance and Data
Additional Resources
Cross References
- CCF960
- CCF-960


